欢迎来到江苏惠斯通机电科技有限公司官网!

资质证书| 视频中心| 企业邮箱

  • 18961193390(电机事业部)
  • 18915807832(电机事业部)
  • 18915029551(电机事业部)
  • 18101502570(电机事业部)
  • 18932393213(仪器事业部)
  • 18915053617(仪器事业部)
  • 18915053621(仪器事业部)
惠斯通
您的位置: 首页 > 电机系列 > 伺服电机
上一页
下一页

60交流伺服电机

产品简介 / Introduction

电机型号MOTOR MODEL



电机型号L(mm)
60ST-□006XX143
60ST-□013XX168
60ST-□020XX193
60ST-□020XX193
60ST-□006XXB187
60ST-□013XXB212
60ST-□020XXB237



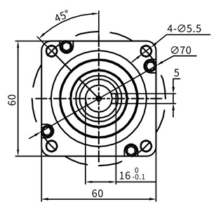
电机尺寸表MOTOR DIMENSION TABLE


尺寸表 尺寸表


参数表PARAMETER TABLE



AC220V
电机型号60ST-口0063060ST-口0133060ST-口02030
额定功率(KW)0.20.40.6
额定电流(A)0.81.62.4
额定转速(rpm)300030003000
转速高至(rpm)360036003600
额定扭矩(Nm)0.61.32
峰值扭矩(Nm)1.83.96
转子惯量(kg.cm2)0.330.50.66
机械时间常数(ms)568

注:电机接口、电压、转速可按客户要求定制

型号命名规则model nameing rules


型号命名规则
代号说明
机座号、电机外径单位:mm
伺服电机形式ST表示电机为正弦波驱动的永磁同步电机
反馈元件规格M表示增量型编码器(2500C/T),J表示绝对值型高精度编码器,X表示1对极旋转变压器
额定转矩表示电机额定转矩,其值为三位X0.1单位Nm
额定转速表示电机额定转速,其值为两位X100单位rpm
失电制动器代号F表示电机结构为防水型(玻璃机械专用),缺省表示普通型
B表示带失电制动器,缺省表示不带失电制动器
Y表示接线型,缺省表示普通型
电压等级表示电机额定电压,包括DC24V、DC48V、DC72V、DC96V、AC380V,缺省表示AC220V
定制特征客户定制代号

在线留言

联系我们

如果您对我们感兴趣,请留下联系方式,我们专业团队
会在第一时间联系您预约体验的时间。

热品推荐 / Hot product

江苏惠斯通机电科技有限公司 版权所有

苏公网安备 32041202002749号
备案号: 苏ICP备12039845号-5

咨询热线:0519-86163583(电机事业部) 0519-86163211(仪器事业部)

联系我们

  • 电机事业部
  • 邮箱:tonghuidianji@126.com
  • 座机:0519-86163583
  • 地址:江苏省常州市武进区雪堰镇雪东工业园西肇巷103号
  • 仪器事业部
  • 邮箱:tonghuidianji@126.com
  • 座机:
  • 地址:无锡市滨湖区滴翠路太湖智谷86-5(B5栋)七层