欢迎来到江苏惠斯通机电科技有限公司官网!

资质证书| 视频中心| 企业邮箱

  • 18961193390(电机事业部)
  • 18915807832(电机事业部)
  • 18915029551(电机事业部)
  • 18101502570(电机事业部)
  • 18932393213(仪器事业部)
  • 18915053617(仪器事业部)
  • 18915053621(仪器事业部)
惠斯通
您的位置: 首页 > 电机系列 > 无刷电机
上一页
下一页

60直流无刷电机

产品简介 / Introduction

电机型号MOTOR MODEL



电机型号L(mm)
60WD-M006XX-XXV143
60WD-M013XX-XXV168
60WD-M020XX-XXV193
60WD-M006XXB-XXV187
60WD-M013XXB-XXV212
60WD-M020XXB-XXV237



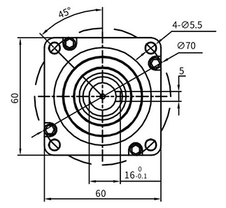
电机尺寸表MOTOR DIMENSION TABLE


尺寸表 

参数表PARAMETER TABLE



DC24VDC48V
电机型号60WD-M00630-24V60WD-M01330-24V60WD-M02030 24V60WD-M00630-48V60WD-M01330-48V60WD-M02030-48V
额定功率(KW)0.20.40.60.20.40.6
额定电流(A)11.122.233.35.210.415.6
额定转速(rpm)300030003000300030003000
转速高至(rpm)360036003600360036003600
额定扭矩(Nm)0.61.320.61.32
峰值扭矩(Nm)1.83.961.83.96
转子惯量(kg.cm2)0.330.50.660.330.50.66
机械时间常数(ms)9.611.515.48.410.113.4

DC72V
电机型号60WD-M00630-72V60WD-M01330-72V60WD-M02030 72V
额定功率(KW)0.20.40.6
额定电流(A)3.56.910.4
额定转速(rpm)300030003000
转速高至(rpm)360036003600
额定扭矩(Nm)0.61.32
峰值扭矩(Nm)1.83.96
转子惯量(kg.cm2)0.330.50.66
机械时间常数(ms)67.29.6

注:电机接口、电压、转速可按客户要求定制

型号命名规则MODEL NAMING RULES


型号命名
代号说明
机座号、电机外径单位:mm
电机类型WD表示电机为直流无刷电机
反馈元件规格M表示有霍尔传感器/N表示无霍尔传感器
额定转矩表示电机额定转矩,其值为三位X0.1单位Nm
额定转速表示电机额定转速,其值为两位X100单位rpm
失电制动器代号B表示带失电制动器,缺省表示不带失电制动器
电压等级表示电机额定电压,包括DC24V、DC48V、DC72V、DC96V、DC310V等
定制特征客户定制代号

在线留言

联系我们

如果您对我们感兴趣,请留下联系方式,我们专业团队
会在第一时间联系您预约体验的时间。

热品推荐 / Hot product

江苏惠斯通机电科技有限公司 版权所有

苏公网安备 32041202002749号
备案号: 苏ICP备12039845号-5

咨询热线:0519-86163583(电机事业部) 0519-86163211(仪器事业部)

联系我们

  • 电机事业部
  • 邮箱:tonghuidianji@126.com
  • 座机:0519-86163583
  • 地址:江苏省常州市武进区雪堰镇雪东工业园西肇巷103号
  • 仪器事业部
  • 邮箱:tonghuidianji@126.com
  • 座机:
  • 地址:无锡市滨湖区滴翠路太湖智谷86-5(B5栋)七层